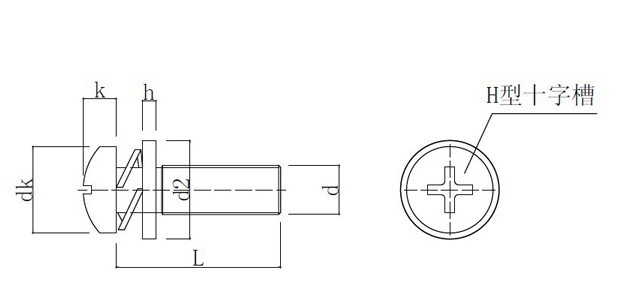
不锈钢SUS304十字槽盘头三组合螺钉 GB9074.4 ,不锈钢盘头组合螺钉里用的盘头是大部头的。不锈钢材质是SUS304的。弹簧垫圈和平垫的材质都是SUS304的。
常用规格大小有M3-M8的。如下所示:常用不锈钢SUS304圆头弹平垫三组合螺钉规格有3*8 ,3*10,3*12,3*16,3*20,3*25,3*30,3*45,4*8,4*10,4*12,4*16,4*20,4*25,4*30,4*35,4*45,5*10,5*12,5*16,5*20,5*25,6*12,6*14,6*16,6*25,8*14,8*16,8*20,8*25,8*30,8*35,8*40等等。
不锈钢盘头组合螺钉的螺钉尺寸国标要求是GB818的,各类主要技术要求为:材质要求有铁的和不锈钢的,铁的有低,中,高碳钢的,不锈钢组合螺钉的材质有不锈钢201,不锈钢304和不锈钢316等的。螺纹公差为6G的。

深圳市创固五金有限公司
联系人:朱经理
手机:13823724543
电话:0755-36523857
QQ:1351029441
邮箱:szqihangzxc@163.com
网站:http://www.zuheluosi.com www.cgwujin.com
不锈钢组合螺钉|不锈钢螺钉规格|螺钉厂家商品信息
公司名称:深圳市创固五金有限公司 企业类型:
其他 经营模式:生产加工
主营行业: 公司注册地址:广东 深圳 南山区 法人代表:朱平
员工人数:10 - 50人 厂房面积:1000 年营业额:0
年进口额:0 年出口额:0 主要市场:国内
客户群:工厂,经
销商
不锈钢组合螺钉|不锈钢螺钉规格|螺钉厂家不锈钢组合螺钉|不锈钢螺钉规格|螺钉厂家产品概况
螺钉:
标就是规范,每个国家和部门都有自己的标准。目前,GB—国家标准(国标)ANSI—美国国家标准(美标) DIN—国家标准(德标)ASME—标准 JIS—国家标准(日标)BSW—国家标准 GB—国家标准是我国众多标准中的一种,另外还有行业标准,专业标准和部门标准等。国家标准又分:GB(强制性标准)和GB/T(推荐性标准)以及GBn(国家内部标准)等。我们平常看到的像GB30,GB5783等等都是强制性的标准。 以上几种标准除了一些基本尺寸如头部对边,头部厚度等的不同以外,最主要的是部分的不同。GB,DIN,JIS等的螺纹都有是以MM(毫米)为单位,统称为。另像ANSI,ASME等的螺纹是以英寸为单位的称为美标螺纹。除了公制螺纹和外还有一种BSW—英制标准,其螺纹也是以英寸为单位,俗称惠氏螺纹。 公制螺纹是以MM(毫米)为单位,它的牙尖角为60度。美制螺纹和都是以英寸为单位的。美制螺纹的牙尖角也是60度,而英制螺纹的牙尖角为55度。由于计量单位的不同,导致了各种螺纹的表示方法也不尽相同。例如像M16-2X60表示的就是公制的螺纹。他的具体意思是表示该螺丝的公称直径为16MM,牙距为2MM,长度为60MM,又如:1/4—20X3/4表示的就是英制的螺纹,他的具体意思是该螺丝的公称直径为1/4英寸(一英寸=25.4MM),在一英寸上有20个牙,长度为3/4英寸。另外要表示美制螺丝的话一般会在表示英制螺丝的后面加上UNC以及UNF,以此来区别是美制粗牙或是美制细牙。 在平时的内销业务中,我们最常遇到的标准是GB(国标)和DIN(德标)。 在非芳生产品方面,主要会接触到以下几种标准:GB30;GB5783;GB5782;GB52;GB6170;GB818;GB819;GB845;GB846;GB70;DIN912;DIN933;DIN931等。目前GB30(老国标)在标准书中已被GB5783(新国标)所代替。GB52(老国标)在标准书中已被GB6170(新国标)所代替。 在1986年,国家对制定了新标准,一般俗称为新标,使用最多的主要有GB5780,GB5781,GB5782,GB5783,GB5784。GB5780为六角头粗杆半牙螺丝,其精度等级为C级产品,可用GB5782来代替(GB5782为六角头粗杆半牙螺丝,其精度等到级为A级和B级。)GB5781为六角头全牙螺丝,精度等级为C 级产品。可用GB5783来代替(GB5783为六角头全牙螺丝,其精度等级为A级和B 级)。GB5784为细杆半牙的六角螺丝。 新标与老标的区别在于:M8,M10,M12,M14,M22系列的产品,在对边宽度上有所区别。除M22系列的新产品外,新标产品M8,M10,M12,M14的头部对边比老标的对边要小1MM。分别为13,16,18,21MM ,而M22系列的新产品,新标比老标的对边反而要大2MM,应特别注意。对于头部厚度,新标和老标之间略有差别,在要求不是非常严格的情况下可以通用。 新标与德标的区别在于:M10,M12,M14,M22的产品规格,在对边宽度上有所差别。M10,M12,M14的头部对边新标标要小1MM。而M22的新产品的,其头部对边比德标的对边宽度要大2MM ,其它的均可通用。 对于六角螺帽,常用的标准有:GB52,GB6170,GB6172和DIN934,对于它们之间的主要区别有:GB6170的厚度要比GB52,GB6172和DIN934来的厚,俗称为厚螺帽。另外就是对边上的区别,M8的螺帽系列中DIN934,GB6170,GB6172的对边都是13MM比GB52的对边14MM要小1MM,M10的螺帽,DIN934与GB52的对边为17MM,比GB6170和GB6172的的对边要大1MM,M12的螺帽,DIN934,GB52的对边为19MM比GB6170和GB6172的对边18MM要大1MM。对于M14的螺帽,DIN934,GB52的对边为22MM比GB6170和GB6172的对边21MM要大1MM。另外就是M22的螺帽,DIN934,GB52的对边为32MM,比GB6170,GB6172的对边34MM要小2MM。(GB6170和GB6172除了其厚度不一样外,对边宽度完全一样)其余规格在不考虑厚度的情况下,可以通用。 2 螺丝标准规范 在内六角方面,国标中有两个版本,一个为GB70—76,76年版本,一个为GB70—85,85年版本,该公司现执行DIN912的标准,所以在实际业务操作中应注意区别:其中GB70—85与DIN912完全重合,故对于使用新标的情况,不存在着差别,主要是GB70—76与DIN912之间有所区别:M8系列的内六角产品,GB70—76的圆头径为12.5MM,比DIN912的13.27MM要小一些,M10系列的内六角产品,GB70—76的圆头径为15MM,比DIN912的16.27要小一些,M12系列的内六角,GB70—76的圆头径为18MM,比DIN912的对边18.27要小一些,另像M16,M20系列的内六角GB70—76的圆头径比DIN912的要小0.33MM,分别为24MM,30MM。DIN912的则分别为24.33MM和30.33MM。另外老标与德标内六角之间的内对边宽度由于标准不同而不同,GB70—76的内对边要小一些,在业务作业中也应加以注意。 另外,平时可能会用到的马车螺丝也有一些区别,在此也作一个说明,在国标中,有两种马车螺丝的标准,即GB12(小半圆头方颈螺丝)和GB14(大半圆头方颈螺丝),平时在市面上较常用的还有德标标准DIN603。现对这三者加以区别:对于圆头颈,在同一规格比较时是:GB12
。通常在马车螺丝的使用时,往往要求头颈大而厚,所以DIN603马车螺丝的标准完全符合要求。 名称 : 1.机螺钉 2.自攻螺钉 3.钻尾螺钉 4.墙板钉 5.纤维板钉 6.木螺钉7.六角木螺钉 8.不脱出螺钉 9.组合螺钉 10.微型螺钉 11.家具螺钉 12.电子螺钉 13. 头型 : 1.六角头(hexagon head) 2.六角头法兰面(hexagon head with flange) 3.方头(square head) 4T形头T head (hammer head 5.扁圆头mushroom head(truss head) 6.圆柱头(cheese head) 7.圆头(round head) 8.盘头(pan head) 9.沉头 countersunk head (flat head) 10.半沉头 raised countersunk head (oval 槽型 : 1.菲利普 2.十/一字 3.一字 4.内三角 5.内角四方 6.十字 7.米字 8.花形 9.梅花形 10.花形一字 11.特形 12.内六角
深圳市创固五金有限公司为您提供:不锈钢组合螺钉|不锈钢螺钉规格|螺钉厂家,不锈钢组合螺钉|不锈钢螺钉规格|螺钉厂家规格,批发不锈钢组合螺钉|不锈钢螺钉规格|螺钉厂家,不锈钢组合螺钉|不锈钢螺钉规格|螺钉厂家使用方法,不锈钢组合螺钉|不锈钢螺钉规格|螺钉厂家注意事项,不锈钢组合螺钉|不锈钢螺钉规格|螺钉厂家产品说明等相关信息,欢迎您的咨询和查看。