固着剂与助留剂协同控制 DCS时的胶体聚集研究(轻工业)
夏 星1 刘泽华1 王立军1,2,3* 陈 辉1 王建华3
(1.天津科技大学天津市制浆造纸重点实验室,天津,300457;2.浙江科技学院
浙江省废弃生物质循环利用与生态处理技术重点实验室,浙江杭州,310023;3.浙江永泰纸业股份有限公司钱江特聘专家工作站,浙江杭州,311421)
摘要:将固着剂聚胺( PA)、助留剂阳离子聚丙烯酰胺(CPAM)单独以及协同处理旧报纸脱墨
浆,采用聚焦光束反射测定仪( FBRM)考察浆料中残余胶体粒子的数量、尺寸及其分布,探讨固着剂与助留剂单独及协同控制溶解与胶体物质( DCS)时的胶体聚集现象。结果表明,实验所用的PA单独处理纸浆时,会产生部分不能固着于纤维或被纤维网络截留的胶体聚集体;CPAM单独处理纸浆时,其电荷容易被DCS中和,导致其降低纸浆胶体粒子数量的效果明显下降,但并不产生胶体聚集体;PA-CPAM协同处理纸浆时,CPAM能将PA预处理纸浆时产生的部分胶体聚集体进一步固着到纤维上,达到更好的降低胶体粒子数量的效果,且不产生更大的胶体聚集体。
关键词:固着剂;助留剂;协同作用;聚焦光束反射测定仪;溶解与胶体物质
中图分类号:TS71+3 DOI: 10.11980/j. issn.0254-508X.2016. 05. 001
由于森林资源缺乏,我国造纸行业使用高得率浆和废纸浆的比例逐年提高。但高得率浆中木素和抽出物含量高,废纸浆中合成胶黏物成分复杂,这些都将会严重影响纸机的正常运行和纸产品的质量。另一方面,为了节约吨纸耗水量,纸机用水循环程度不断提高,会进一步加剧造纸过程的树脂与胶黏物沉积问题,给企业造成严重的经济损失。
树脂与胶黏物在沉积之前常以溶解或胶体的稳定状态存在。控制溶解与胶体物质( dissolved and col-loidal substances,DCS)含量及其沉积的方法主要有物理法、微生物处理法、化学法等,其中化学固着法最为普遍,其基本原理是采用阳离子电荷密度高、相对分子质量低的聚合电解质对纸浆进行处理,目的是将负电性的DCS固定到纤维上,随纸张一起被带出系统,但是仅仅依靠固着剂对DCS的固着作用往往不能很好地将DCS固定在纸张纤维上。一些学者早就指出,有一种与固着剂相匹配的助留剂是有效控制DCS的另一关键点;也有一些实验性的研究对此观点给予支撑,例如聚二甲基二烯丙基氯化铵( PDADMAC)固着剂和阳离子聚丙烯酰胺(CPAM)助留剂、聚乙烯胺( PVAm) -高阳离子度淀粉( HCS) -CPAM三元体系、阳离子环糊精(C-CDP)固着剂和CPAM-膨润土(MMT)微粒助留体系控制废纸浆DCS,均被认为具有协同效果。但是,由于这些研究采用的手段主要都局限于纸浆滤液的浊度、阳离子需求量、化学耗氧量等间接性指标的测量,在揭示固着剂和助留体系协同控制DCS更深层次的现象与原因时均显不足。
本研究利用聚焦光束反射测定仪( FBRM)可以快速测定出纸浆滤液中胶体粒子的数量、尺寸及其分布的特点,对固着剂.助留剂协同作用控制DCS的过程进行跟踪,期待从胶体物质是否形成聚集体的角度获得更详细的信息,从中得出有益的结论以便于指导生产应用。
1 实验
1.1 实验原料
聚胺(PA):实验室自制,特性黏度为3. 5830mL/g,阳离子电荷密度为7.50 m mol/g固体,使用前配制成4 g/L的溶液。CPAM:固含量41. 4%,阳离子电荷密度0. 76 m mol/g固体,纳尔科(中国)环保技术服务有限提供,产品编号为620101;使用前配制成1g/L的溶液。旧报纸脱墨浆:取自山东某新闻纸生产线的网前箱,储存于冰箱备用,使用前将浆浓稀释为4%。
1.2浆料特性考察
分别采用反滴定法和正向滴定测定浆料及其滤液的阳离子需求量。其大致过程是:取30 g浆浓4%的湿浆放人烧杯中,再加入适量的PDADMAC标准阳离子溶液使浆料体系电荷反转,用玻璃棒搅拌1min后用200目网布过滤收集滤液,取10 m L滤液用PVSK标准液滴定滤液中过量的PDADMAC的正电荷,从两者之差计算浆料的阳离子需求量。用200目的网布过滤浆料,得到滤液(相当于网下白水),然后滤液再用1.0
m的微滤膜过滤,得到的滤液视为DCS水,取2 m L DCS水用PDADMAC标准液滴定,计算DCS的阳离子需求量。
1.3使用FBRM检测固着剂和助留剂协同作用效果
1. 3.1 实验方法
称取4组浆浓为4%的湿浆100 g,按照表1的设计,先加入一定量的PA并搅拌1 min,补加水将浆浓稀释至0. 5%,再添加一定量的CPAM溶解,搅拌1 min,将浆料用200目网布过滤,采用FBRM对滤液中的粒子进行测定。
1.3.2 FBRM检测
使用FBRM S400型聚焦光束反射测量仪(瑞士,Mettler Toledo公司)测定浆料滤液中粒子的数量、尺寸及其分布。测量时,先将FBRM的探头清洗干净,取50 m L浆料滤液,放入100 m L的烧杯中,将FBRM探头和搅拌桨放入烧杯,设置操作参数为搅拌速度250 r/min,扫描速度2 m/s,扫描间隔2s。待系统稳定后开始采集数据,取2 min时刻的数据进行分析。FBRM操作及相关的数据处理进行。
2结果与讨论
2.1浆料特性分析
对于浓度为4.0%的旧报纸脱墨浆,通过反滴定法测得其阳离子需求量为1. 90 m mol/L,通过正向滴定法测定其中DCS的阳离子需求量达1.10 m mol/L,表明该旧报纸脱墨浆高达58 010的负电荷由DCS提供,这从一个侧面反映了该纸浆潜在的DCS问题比较严重。本实验综合考虑胶体滴定的理论计算结果和企业可以接受的生产成本,确定PA单独作用时的用量为0. 26%,假定PA全部与DCS作用,理论上DCS负电荷量的70%将被中和。CPAM的用量被确定为0. 08%,由于其电荷密度为很小的0.76 m mol/g,最 多只能中和浆料DCS总负电的2.4%。因此,在这些助剂确定的作用条件下,浆料的总电荷保持为负电性,不会发生电荷反转的现象。
2.2固着剂与助留剂单独以及协同处理对浆料滤液粒子数量和粒度的影响
如实验所述,浆料经助剂处理后,经200目网过滤得到滤液,然后用FBRM测定滤液中粒子的数量、尺寸及其分布。FBRM用平均弦长表示粒子的尺寸,平均弦长不同于用激光粒度仪测得的平均粒径,一般来说平均弦长要大于平均粒径,但被测粒子越接近于球体,则平均弦长越接近于平均粒径,被测粒子的尺寸越大,其平均弦长与平均粒径也越接近。FBRM
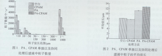
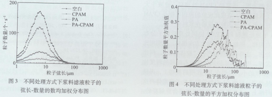
测得的浆料滤液粒子数量、平均弦长及其分布如图1~图3所示;为突出大粒子的贡献,还可以对粒子的尺寸进行平方加权统计,结果如图4所示。
图1是FBRM测定滤液中粒子数量的结果。从图1中可以发现,粒子的大小主要集中在小于10
m的弦长段,其次是10~50
m弦长段,50 N150
m弦长段有少许,相比之下几乎可以忽略,150
m以上基本没有。经助剂处理后,浆料中胶体粒子被去除的程度为PA-CPAM>PA>CPAM>空白,其中PA-CPAM协同处理的效果十分明显,总粒子数下降了87.6%,PA处理使总粒子数下降72.1%,比较意外的是CPAM处理,其总粒子数仅下降31.8%。
另一方面,仅仅考察粒子数量的变化会导致一些错误的判断,因为减少的粒子不一定被固着到纤维上,粒子之间互相聚集产生更大的粒子聚集体但不被纤维留着而落入水中,也会使滤液的粒子总数发生明显的减少,为此需要考察粒子及粒子聚集体的粒径。图2为FBRM测得的用平均弦长表示的滤液中粒子的平均粒径,结果表明,助剂处理使胶体粒子粒径增大的顺序是PA-CPAM> PA>空白>CPAM。这一结果与助剂减少浆料粒子数量的结果并不完全对应,其中让人意外的是CPAM并没有增大粒子的粒径。

图3是不同处理方式下浆料滤液粒子弦长.数量的数均加权分布图,该图提供了图1和图2不能表达的连续信息。从图3可以看出,与未经处理(空白)相比,纸浆经助剂处理后其滤液中的粒子数量均明显减少,减少的程度为PA-CPAM>PA>CPAM>空白,这与图1展示的结果显然是一致的,因为两者只是表达方式的不同。从图3还可以看出,CPAM单独处理的峰形和空白处理的相似,且没有产生弦长在50fLm以上的粒子聚集体;PA单独处理和PA-CPAM协同处理的峰形相似,但与空白处理的有所不同,主要表现为产生了一定数量的50
m以上的粒子聚集体。图4对粒子聚集体的贡献进行了更清楚的表述,即CPAM没有产生大的聚集体,但PA单独处理和PA-CPAM协同处理均产生了一定量的大聚集体。与此同时,还可以发现另一个令人意外的现象:PA产生的大聚集体要多于PA-CPAM协同处理的。
2.3 固着剂与助留剂协同控制纸浆DCS时的胶体聚集现象及其分析
综合分析上述实验现象,同时结合以往的研究结果,可以认为,PA单独作用时,有一部分胶体粒子在PA的作用下聚集成更大的粒子,这些大的聚集体有一部分可能在滤水过程中被纤维网络截留,但也有一部分能通过纤维网络间的空隙落入到滤液中而被FBRM检出。
与PA单独处理相对应,CPAM单独处理时并没有发现胶体聚集作用的存在。一般认为,CPAM属于相对分子质量大、电荷密度低的水溶性聚合物,其特征是以架桥作用机理将胶体物质絮聚在一起,因而容易形成大的絮聚体。显然,这个观点与本实验结果相矛盾。但是,根据本实验纸浆的实际情况,可以对此现象做更深的分析。如2.1节所述,本实验所用旧报纸脱墨浆高达58%的负电荷由DCS提供,因此,可以认为,相当于纸浆绝干总量0. 08%的CPAM加入到纸浆并与之混合均匀的过程中,CPAM携带的电荷绝大部分将被DCS中和。理论计算表明,上述用量CPAM的正电荷仅能中和DCS阳离子需求量的2.4%,因此可以认为其留着胶体粒子的能力确实会被DCS大大削弱。不过从本次实验结果特别是图3的结果看,CPAM作用于大量存在DCS的纸浆并没有导致其完全失效,即CPAM还是可以将少部分胶体粒子留着到纤维上;另一方面,CPAM与DCS作用并没有产生大的胶体聚集体残留到白水中,这可能是因为CPAM优先被溶解物质(DS)中和,产生的是十分微小的CPAM-DS复合物的缘故。据研究,这类复合物太小而不能被FBRM检出。图2中CPAM作用后浆料滤液中胶体粒子的平均粒子略小于未经处理的空白样,图4中CPAM单独处理后粒子分布曲线相比于空白样向左偏移,即粒子尺寸向小方向偏移,这都表明:纸浆经CPAM处理后,滤液中大尺寸粒子数量减少。造成此现象的原因可能是CPAM能够更好地将大尺寸的粒子保留在浆料中。
PA单独处理和PA-CPAM协同处理后粒子分布曲线向右偏移,即粒子尺寸向大方向偏移,说明相比于未经处理,这两种处理均产生“胶体聚集”。但比较两者发现,PA-CPAM协同处理向右偏移的程度比PA单独处理的小,说明在PA作用的基础上,再使用CPAM处理,可将PA引起的胶体粒子聚集体再次留着到纤维上。这在机理上是可以获得合理解释的。根据补丁原理,PA作用下形成的胶体聚集体,并不需要遵循等电量作用的原则,即胶体聚集体本质上还是负电性的,因此,负电性的胶体聚集体容易在CPAM助留剂的作用下,通过架桥机理将其留着到纤维上。
从图3和图4还可以看到,相比于PA单独处理,PA-CPAM协同处理可在PA处理的基础上,进一步降低偏小粒子如50 ym以下粒子的数量,说明在PA预处理纸浆的情况下,后续加入的CPAM能更有效地与水相中较小的粒子作用,更大程度地将它们去除。
3结论
3.1实验所用的固着剂聚胺( PA)单独处理纸浆时,会产生部分不被纤维固着的胶体聚集体残留在水相中。
3.2助留剂阳离子聚丙烯酰胺( CPAM)单独处理纸浆时,其电荷容易被DCS中和,导致其降低纸浆胶体粒子数量的效果明显下降,但并不产生胶体聚集体。
3.3 PA-CPAM协同处理纸浆时,CPAM能将PA预处理纸浆时产生的部分胶体聚集体进一步固着到纤维上,整体上达到更好的降低胶体粒子数量的效果,且不产生更大的胶体聚集体。
上一篇:建筑遮阳效果的实验研究(建筑)