金黄色铝外壳线绕电阻器RX24为金黄色铝外壳封装,主要用途为加热电阻,变频电阻,制动电阻,刹车电阻,起动电阻,老化电阻等。常用功率为5W,10W,25W,50W,75W,100W,150W,200W,250W,300W,400W,500W;常用阻值有0.1R,0.2R,0.5R,1R,10R,50R,100R,250R,1KR,2KR,2.2KR,3.9KR,10KR,11KR,22KR,33KR;阻值精度为1%或5%。
特点及用途
○金属铝壳包封,散热性能好,适合散热板安装,可长期在恶劣环境下使用。
○体积小,功率负荷大。
○多种接线方式,便于安装。
○绝缘性高,采用阻燃无机材料一体化封装,抗振性好。
○适用于变频器,电梯,舞台音响及高端设备行业。
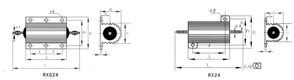
外型尺寸
| 型号 | 功率(W) | 外型尺寸(mm) | 重量 (g) |
||||||||||||
| 电阻体 | 标准散热板(铝) | ||||||||||||||
| Amax | B | Lmax | Hmax | C | l | l1 | M | N | ф1 | ф2 | 表面积 (cm2) |
厚度 (mm) |
|||
| RX24 | 5W | 15.5 | 16 | 36.5 | 8 | 8.5 | 11.4 | 12 | 4.4 | 1.5 | 1.5 | 2.2 | 415 | 1 | 3 |
| 10W | 19.5 | 21 | 40.5 | 10 | 11.2 | 14 | 16 | 5 | 2 | 2 | 2.5 | 415 | 6 | ||
| 25W | 27 | 27 | 48 | 13 | 14.3 | 18.3 | 20 | 7 | 2 | 2 | 3.5 | 535 | 11 | ||
| 30W | 34 | 29 | 55 | 15.5 | 16.3 | 25 | 22 | 7.3 | 2 | 2 | 3.5 | 535 | 18 | ||
| 50W | 50 | 29 | 71 | 15.5 | 16.3 | 40 | 22 | 7.3 | 2 | 2 | 3.5 | 935 | 30 | ||
| RXG24 | 75W | 65.5 | 48 | 93.5 | 26 | 27 | 23.5 | 37 | 11.5 | 3.5 | M3 | 4.4 | 935 | 3 | 90 |
| 100W | 98 | 48 | 126 | 26 | 27 | 35 | 37 | 11.5 | 3.5 | M3 | 4.4 | 935 | 90 | ||
| 120W | 135 | 48 | 158 | 26 | 27 | 52 | 58 | 11.5 | 3.5 | M3 | 4.4 | 935 | 240 | ||
| 150W | 135 | 48 | 158 | 26 | 27 | 52 | 58 | 11.5 | 3.5 | M3 | 4.4 | 935 | 240 | ||
| 200W | 92 | 73 | 132 | 45 | 46.5 | 35 | 58 | 21 | 5 | M6 | 5.5 | 3750 | 420 | ||
| 250W | 112 | 73 | 152 | 45 | 46.5 | 45 | 58 | 21 | 5 | M6 | 5.5 | 4765 | 480 | ||
| 300W | 130 | 73 | 170 | 45 | 46.5 | 51 | 58 | 21 | 5 | M6 | 5.5 | 5780 | 580 | ||
| 500W | 204 | 73 | 244 | 45 | 46.5 | 87 | 58 | 21 | 5 | M6 | 5.5 | 8500 | 970 | ||
主要性能指标
| 型号 | 25°C额定功率W | 阻值范围(Ω) | 阻值允许偏差(%) | 温度系数 (×10-6 /°C) |
耐电压(V) | |
| 带散热板 | 不带散热板 | |||||
| RX24 | 5W | 3W | 0.01~1K | ±1 ±5 | ±50~±100ppm | 1000 |
| 10W | 8W | 0.01~1.5K | ||||
| 25W | 12W | 0.01~10K | ||||
| 30W | 15W | 0.01~27K | ||||
| 50W | 20W | 0.01~33K | ||||
| RXG24 | 75W | 45W | 0.01~39K | 2000 | ||
| 100W | 50W | 0.01~51K | ||||
| 120W | 50W | 0.01~54K | ||||
| 150W | 55W | 0.01~56K | ||||
| 200W | 50W | 0.01~62K | ||||
| 250W | 60W | 0.01~68K | ||||
| 300W | 75W | 0.01~75K | ||||
| 500W | 200W | 0.01~82K | ||||
降功耗曲线图 表面温升图
