 |
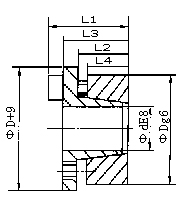
Z6型胀套的基本尺寸和参数
| A基本尺寸(mm)Dimensions |
额定负荷 |
内六角螺钉 |
胀套与轴结合面上的压力pt N/mm2 |
胀套与轮载结合面上的压力pt N/mm2 |
重量 kg |
| d |
D |
L4 |
L3 |
L2 |
D1 |
L1 |
轴向力Ft kN |
转矩Mt kN.m |
d1 |
n |
MA N.m |
14 16 18 19 20 22 24 25 28 30 |
55 55 55 55 55 55 55 55 55 55 |
17 17 17 17 17 17 17 17 17 17 |
30 30 30 30 30 30 30 30 30 30 |
22 22 22 22 22 22 22 22 22 22 |
62 62 62 62 62 62 62 62 62 62 |
38 38 38 38 38 38 38 38 38 38 |
18 18 18 18 18 25.5 25.5 25.5 31.5 31.5 |
127 142 157 165 172 285 307 315 435 472 |
M8 M8 M8 M8 M8 M8 M8 M8 M8 M8 |
3 3 3 3 3 3 3 3 3 3 |
25 25 25 25 25 35 35 35 41 41 |
208 181 161 152 145 186 170 163 175 163 |
52.5 52.5 52.5 52.5 52.5 75 75 75 89 89 |
0.48 0.47 0.46 0.46 0.45 0.44 0.42 0.41 0.39 0.37 |
24 25 28 30 32 35 38 40 |
65 65 65 65 65 65 65 65 |
17 17 17 17 17 17 17 17 |
30 30 30 30 30 30 30 30 |
22 22 22 22 22 22 22 22 |
72 72 72 72 72 72 72 72 |
38 38 38 38 38 38 38 38 |
37.4 37.4 43.6 43.6 43.6 52.5 52.5 52.5 |
440 460 600 640 690 910 990 1050 |
M8 M8 M8 M8 M8 M8 M8 M8 |
5 5 5 5 5 5 5 5 |
30 30 35 35 35 41 41 41 |
244 234 243 227 213 234 216 205 |
90 90 105 105 105 126 126 125 |
0.62 0.61 0.58 0.56 0.55 0.51 0.48 0.46 |
30 32 35 38 40 42 45 48 50 |
80 80 80 80 80 80 80 80 80 |
20 20 20 20 20 20 20 20 20 |
33 33 33 33 33 33 33 33 33 |
25 25 25 25 25 25 25 25 25 |
87 87 87 87 87 87 87 87 87 |
41 41 41 41 41 41 41 41 41 |
52.4 52.4 61 61 61 73.5 73.5 73.5 73.5 |
780 830 1060 1150 1220 1540 1650 1760 1830 |
M8 M8 M8 M8 M8 M8 M8 M8 M8 |
7 7 7 7 7 7 7 7 7 |
30 30 35 35 35 41 41 41 41 |
232 217.5 232 214 203 233 217 203 195 |
87 87 102 102 102 122 122 122 122 |
1.01 0.99 0.96 0.92 0.89 0.86 0.82 0.76 0.73 |
|
Z6胀紧联结套涨套胀紧套商品信息
上海松铭传动机械有限公司是一家专业研究,设计,制造各种传动类产品的实业型企业,优势产品有:伺服
电机联轴器,步进电机联轴器,微型电机联轴器,编码电机联轴器,精密万向节,十字传动万向联轴器,梅花弹性联轴器,星型弹性联轴器,弹性膜片联轴器,
波纹管联轴器,弹性管联轴器,鼓型齿联轴器,蛇型弹簧联轴器产品等,各规格胀紧联结套及皮带轮,并承接各种非标传动零部件的加工。我们的产品远
销世界各地,为造纸,冶金,纺织,造船,农机,运输,化工,矿山机械,工程机械,轻工机械,汽车制造等行业设备更新,技术进步,提供所需的配套服务。工厂现有建筑面积4000平米,职工60余人,技术人员5人,拥有车,铣,刨,钻,磨,插,滚齿机
联系方式:胀紧联结套,涨套,万向联轴器,弹性膜片联轴器,齿式联轴器,锥套皮带轮
公司名称:上海松铭传动机械有限公司 联系人:苏先生 电话:86-021-57652938
移动电话:18621008099 传真:86-021-60919210 地址:上海上海松江区车墩镇汇桥村13队
网址:http://shcoupling.bmlink.com
上海 上海松铭传动机械有限公司 http://shcoupling.bmlink.com
Z6胀紧联结套涨套胀紧套产品概况
五金机械配件:
NULL
上海松铭传动机械有限公司为您提供:供应Z6胀紧联结套涨套胀紧套,供应Z6胀紧联结套涨套胀紧套规格,批发供应Z6胀紧联结套涨套胀紧套,供应Z6胀紧联结套涨套胀紧套使用方法,供应Z6胀紧联结套涨套胀紧套注意事项,供应Z6胀紧联结套涨套胀紧套产品说明等相关信息,欢迎您的咨询和查看。